 
                    全國服務熱線
139 0373 2065
新聞資訊
News
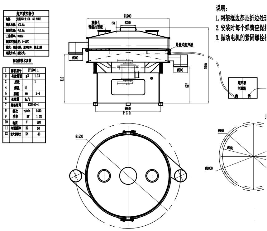
外置超聲波振動篩和內置超聲波振動篩的區別

大家都知道超聲波振動篩是在三次元振動篩的基礎上加裝超聲波清網裝置從而解決各類堵網、粘網、吸附、劇團、靜電、輕比重等篩分難題。
根據超聲波換能器安裝位置不同可分為外置式超聲波振動篩和內置式超聲波振動篩兩種,那么為什么超聲波振動篩會有外置式和內置式之分呢?下面康振機械機械就為廣大用戶詳細講解一下兩種安裝方式的區別。
外置式超聲波振動篩和內置式超聲波振動篩的區別
1.安裝維護:內置式換能器的安裝需要將篩框和篩網拆除才能進行安裝和維護工作。外置式換能器由于是至于篩框外部,安裝和維護相對簡便快捷;
2.使用壽命:由于內置式換能器安裝位置在篩網底部,使用過程中物料會落入換能器內而引起換能器發熱影響篩分精度和使用壽命。外置換能器和篩框接觸緊密密封效果好,可以有效的避免物料進入換能器從而影響使用壽命;
3.價格不同:內置換能器雖然使用壽命和安裝有一定的缺陷,但其價格卻相對較低,而由于外置換能器的安裝和設計需要增加成本所以其價格也會相對高些。
康振機械機械外置式換能器可解決內置換能器清理、維護不便,換能器長久接觸物料與隨振動篩振動從而使壽命大大降低的缺點。加裝外置支撐裝置與快卡裝置可有效的確保換能器外置借口的穩定性,確保篩機運行過程中換能器連接線與篩框的摩擦降至zui低,從而延長換能器使用壽命。 超聲波振動篩作為一款高率、高精度的篩分設備,可以對600目以下粉末類物料進行有效的篩分工作,是現今食品、醫藥、化工、金屬粉末、新型材料等高精細行業,而外置式換能器由于易維護,壽命長等特點也受到了廣大用戶的認可。
河南康振機械機械設備有限公司主要產品有系列三次元振動篩分過濾機、旋振篩、直線振動篩、超聲波振動篩、礦用振動篩、圓振動篩、直排篩、標準檢驗篩(藥典篩)、搖擺篩、氣流篩、氣旋篩、過濾篩、拍擊式標準振篩機、振動電機、螺旋輸送機、垂直提升機、振動給料機、振實平臺、高頻振動平臺、倉壁振動器等等。  

返回頂部
 
                掃一掃 關注我們